Spare parts shop

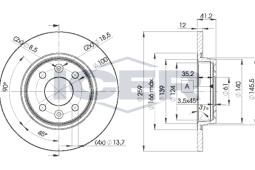
Brake Disc

78BD4707-2 Catalog number:
Manufacturer: ICER Brake Disc Thickness [mm] : 10,5 Outer diameter [mm] : 259 Brake Disc Type : solid Height [mm] : 41 Centering Diameter [mm] : 61 Bolt Hole Circle [mm] : 100 Axle Version : Front Technical Information Number : 78BD4707-2 Test Mark : E1 90R-02C0100/0035 Test Mark : E1 90R-02C0415/0005 Diameter [mm] : 61 Thickness [mm] : 12 Minimum thickness [mm] : 10,5 Hole Arrangement/Number : 4 Weight [kg] : 8516,000
6.0.90